Published:2011/7/29 2:57:00 Author:Ecco | Keyword: gas overranging , alarm , miner lamp | From:SeekIC

The gas overranging alarm miner lamp described in the example is suitable for the environment with explosion gas in coal mine, the miners carry the device for lighting and detecting methane gas. When the methane gas is overlimit, the alarm signal will flash in time to remind miners to evacuate in time.
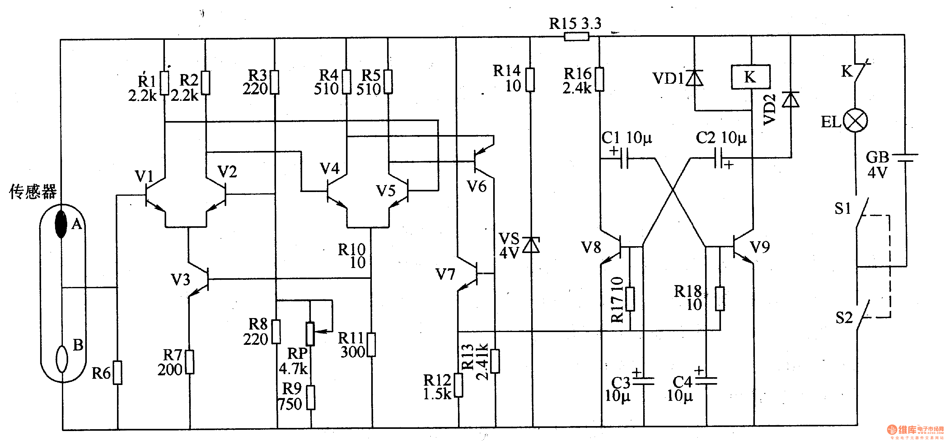
The working principle:The gas overranging alarm miner lamp circuit is composed of detection amplifier circuit and alarm circuit. It's shown as the figure 8-29.
The detection amplifier circuit is composed of sensor, resistors Rl-Rl5, potentiometer RP, transistors Vl-V7 and voltage regulator diode VS. The alarm circuit consists of resistors R16-Rl8, capacitors Cl-C4, transistors V8 and V9, Diodes VDl and VD2, the relay K and miner's lamp EL.Turning on the power switch S (Sl, S2), EL is lit, the entire circuit gets power supply. The end of the sensor detects methane gas, the internal resistance of pure white carrier elements B and black catalytic elements A in sensor keep stable, V6 and V7 is off, the oscillator composed of V8, V9, and Cl-C4, R16-R18, K , VDl stops vibrating, K is in releasing state, EL in normal lighting condition.
Reprinted Url Of This Article:
http://www.seekic.com/circuit_diagram/Control_Circuit/Alarm_Control/The_gas_overranging_alarm_miner_lamp_1.html
Print this Page | Comments | Reading(3)
Code: