About SeekIC | Services | Payment | Advertisements service | Contact Us | Links
© 2008-2012 SeekIC.com Corp.All Rights Reserved.
Published:2012/12/12 2:52:00 Author:Ecco | Keyword: Timer alarm | From:SeekIC

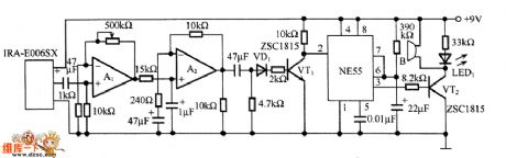
Timer alarm circuit using NE555 is shown as the figure.
Reprinted Url Of This Article:
http://www.seekic.com/circuit_diagram/Control_Circuit/Alarm_Control/Timer_alarm_circuit_using_NE555.html
Print this Page | Comments | Reading(3)
Response in 12 hours
© 2008-2012 SeekIC.com Corp.All Rights Reserved.
Code: