Published:2009/7/6 5:50:00 Author:May | From:SeekIC

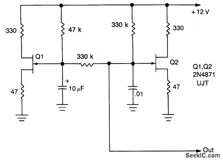
The output frequency changes continuously. Low frequency oscillator (Q1) modulates high frequency oscillator Q2 and its associated timing capacitor.
Reprinted Url Of This Article:
http://www.seekic.com/circuit_diagram/Control_Circuit/Alarm_Control/VARYING_FREQUENCY_WARNING_ALARM.html
Print this Page | Comments | Reading(3)
Code: