Published:2009/7/9 23:25:00 Author:May | From:SeekIC

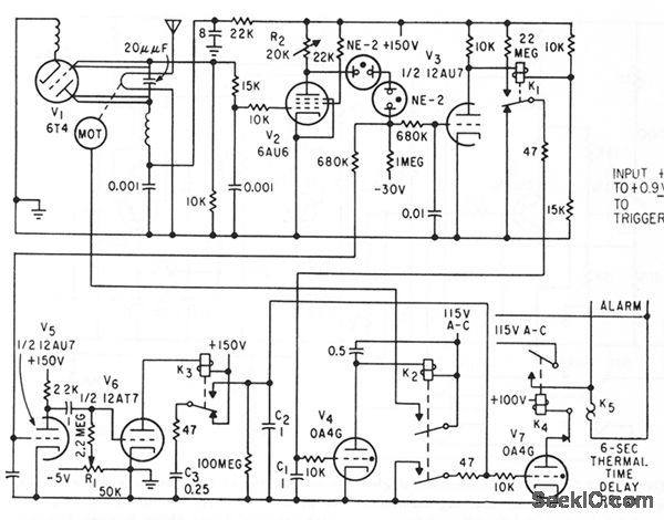
Based on fact that object moving toward or away from antenna causes phase relationship of radiated and reflected waves to shift through 2 pi radians at antenna for each half-wave length of movement. Varying phase changes amplitude of oscillation, detected by circuit and used to turn on alarm. Drift in oscillator grid voltage activates timing motor which adjusts degree of coupling between oscillator tank and antenna, to make alarm self-adjusting.-G. A.Whitlow, VHF Intrusion Alarm is Self-Adiusting, Electronics, 3235, p 62-66.
Reprinted Url Of This Article:
http://www.seekic.com/circuit_diagram/Control_Circuit/Alarm_Control/VHF_INTRUSION_ALARM.html
Print this Page | Comments | Reading(3)
Code: