Published:2009/7/13 4:09:00 Author:May | From:SeekIC

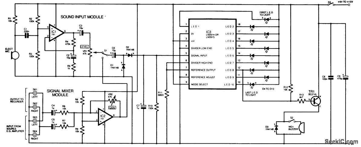
This circuit uses two audio amplifiers, one for a microphone and one for a stereo input, to drive an LED bar-graph display, rather than a meter. When the input exceeds a certain level, an LED (#8 in this circuit) will light and also cause an alarm buzzer or some other signal to actuate. A switch is provided for source selection.
Reprinted Url Of This Article:
http://www.seekic.com/circuit_diagram/Control_Circuit/Alarm_Control/VOLUME_UNIT_DISPLAY_AND_ALARM.html
Print this Page | Comments | Reading(3)
Code: