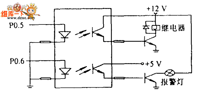
Published:2011/4/1 3:35:00 Author:Nicole | Keyword: Alarm lamp, relay | From:SeekIC

Reprinted Url Of This Article:
http://www.seekic.com/circuit_diagram/Control_Circuit/Alarm_lamp_and_relay_drive_circuit_diagram.html
Print this Page | Comments | Reading(3)
Code: