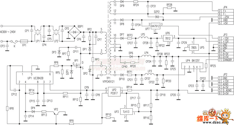
Published:2011/5/11 6:29:00 Author:Christina | Keyword: Amoi, switching power supply, DVD | From:SeekIC

Reprinted Url Of This Article:
http://www.seekic.com/circuit_diagram/Control_Circuit/Amoi_DVD_switching_power_supply_circuit.html
Print this Page | Comments | Reading(3)
Code: