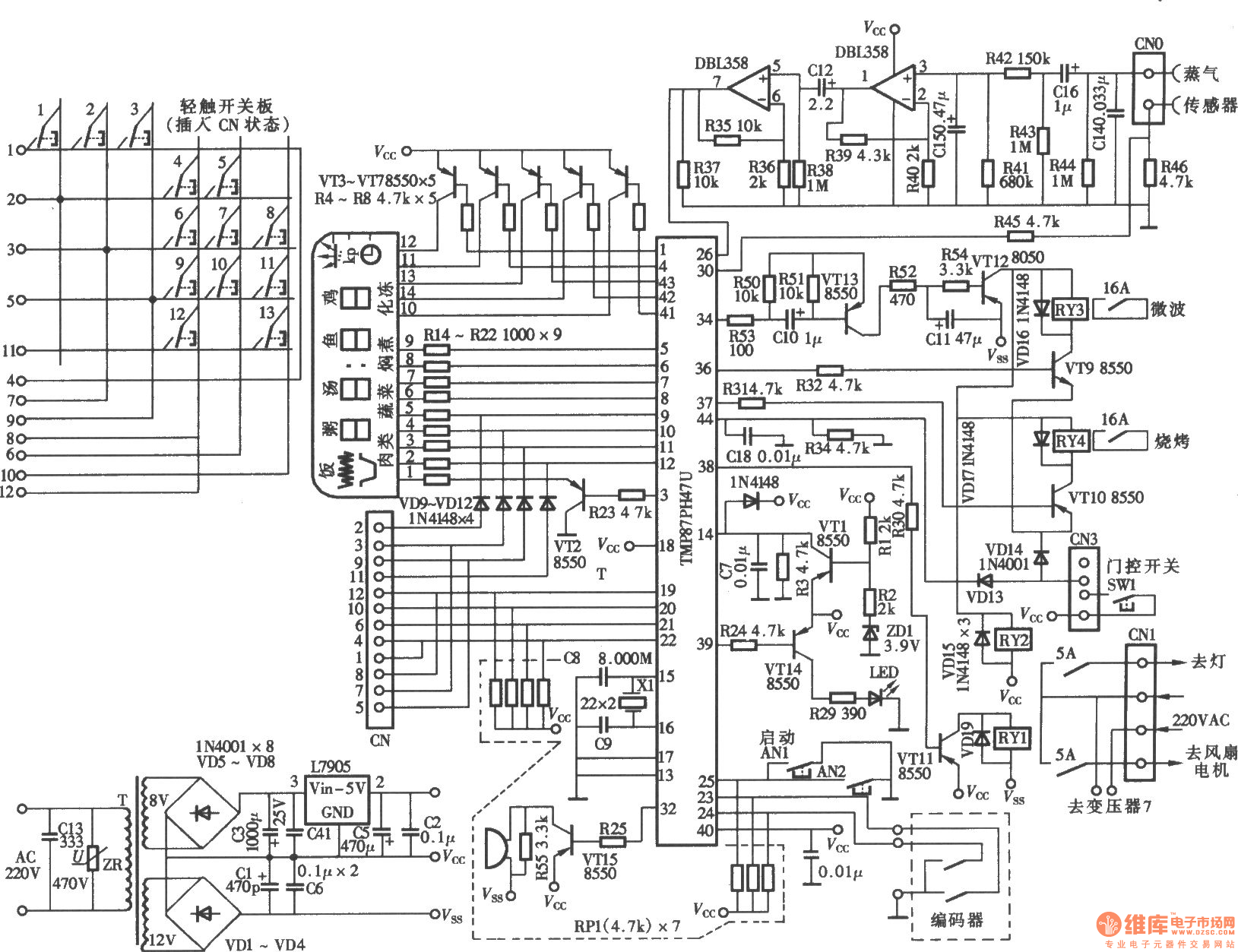
Published:2011/5/12 2:17:00 Author:Ecco | Keyword: Amproluck, PC , microwave , computer , control panel | From:SeekIC

Reprinted Url Of This Article:
http://www.seekic.com/circuit_diagram/Control_Circuit/Amproluck_WD850ES_PC_microwave_computer_control_panel.html
Print this Page | Comments | Reading(3)
Code: