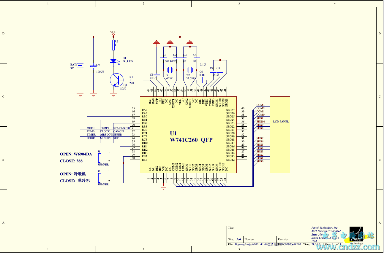
Published:2011/9/28 4:33:00 Author:Rebekka | Keyword: Air-conditioner control | From:SeekIC

Reprinted Url Of This Article:
http://www.seekic.com/circuit_diagram/Control_Circuit/An_air_conditioner_control_circuit.html
Print this Page | Comments | Reading(3)
Code: