Published:2012/9/24 4:16:00 Author:muriel | Keyword: Appliance Remote, Control | From:SeekIC

Starting from today I will try to post interesting Arduino projects from around the web. I am novice in this domain but I am giving my best to fully understant it. I must say from the begining that the projects are not developed by me and I will link the original source.
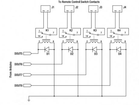
This Arduino project uses a general-purpose appliance remote control that you can buy from a hardware store. It can be modified to link it to an Arduino for software control of devices around your house, without having to touch any mains-level wiring.
Parts required:
1 Arduino Duemilanove, Arduino Pro, Seeeduino, or equivalent
1 RF appliance remote control
1 Prototyping shield
4 5V reed relays
4 1N4001 power diodes or similar
4 PCB-mount male connectors
4 line-mount female connectors
10 cm ribbon cable
Source: http://www.practicalarduino.com/projects/appliance-remote-control
?
One Response to “Appliance Remote Control Arduino Project”
Reprinted Url Of This Article:
http://www.seekic.com/circuit_diagram/Control_Circuit/Appliance_Remote_Control_Arduino_Project.html
Print this Page | Comments | Reading(3)
Code: