Published:2011/4/26 5:54:00 Author:Robert | Keyword: Infrared Control Faucet | From:SeekIC

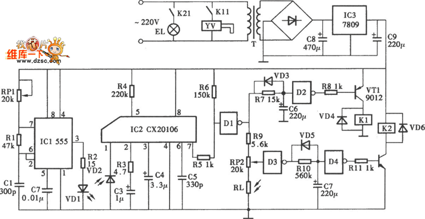
Infrared Control Faucet Circuit Using CX20106 is shown below:
Reprinted Url Of This Article:
http://www.seekic.com/circuit_diagram/Control_Circuit/Automatic_Control/Infrared_Control_Faucet_Circuit_Using_CX20106.html
Print this Page | Comments | Reading(3)
Code: