© 2008-2012 SeekIC.com Corp.All Rights Reserved.
Published:2011/8/12 4:53:00 Author:Felicity | Keyword: Timing Controller | From:SeekIC

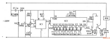
Work of the circuit
The circuit consists of Power supply circuit, pulse generator, control implementation delay circuit and control circuit. ( It is showed in picture 8-91.)
Power supply circuit consists of buck capacitor Cl, discharge resistor R7, voltage regulator diode VS, the rectifier diode VDl and filter capacitor C2.
Pulse generator consists of time-base integrated circuit ICl, resistors Rl and R2, potentiometers RP and capacitors C3.
Control implementation delay circuit consists of decimal counting / pulse distributor circuit IC2, resistors R3 and R4, diode VD2-VD11, switch S1-S12.
Control circuit consists of transistor V, resistors R5 and R6, thyristor VT and AC contactor KM.
Reprinted Url Of This Article:
http://www.seekic.com/circuit_diagram/Control_Circuit/Automatic_Control/Timing_Controller_the_2nd.html
Print this Page | Comments | Reading(3)
Response in 12 hours
© 2008-2012 SeekIC.com Corp.All Rights Reserved.
Code: