© 2008-2012 SeekIC.com Corp.All Rights Reserved.
Published:2011/7/7 22:30:00 Author:Felicity | Keyword: Timing Controller | From:SeekIC

Work of the circuit
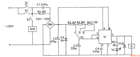
The circuit consists of power circuit and timing control circuit. (It is showed in picture 8-92.)
Power circuit consists of Power control button Sl, the normally open relay contact K Kl, step-down capacitor Cl, discharge resistors Rl, rectifier diode VDl-VD4, filter capacitor C2 and Zener VS.
Timing control circuit consists of Time-base IC lC, delay selector switch S2, resistors R2-R5, capacitor C3, C4, light-emitting diode VL, relay K and diode VD5.
Reprinted Url Of This Article:
http://www.seekic.com/circuit_diagram/Control_Circuit/Automatic_Control/Timing_Controller_the_3rd.html
Print this Page | Comments | Reading(3)
Response in 12 hours
© 2008-2012 SeekIC.com Corp.All Rights Reserved.
Code: