Published:2011/4/1 1:03:00 Author:Rebekka | Keyword: Variable speed pick machine | From:SeekIC

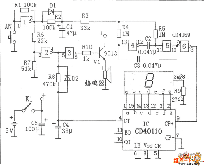
Variable speed pick machine circuit diagram is shown as below.
Reprinted Url Of This Article:
http://www.seekic.com/circuit_diagram/Control_Circuit/Automatic_Control/Variable_speed_pick_machine_circuit_diagram.html
Print this Page | Comments | Reading(3)
Code: