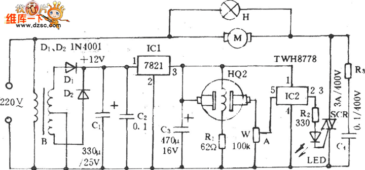
Published:2011/4/23 1:45:00 Author:Robert | Keyword: Ventilator, Automatic Exhaustsmoke | From:SeekIC

Ventilator Automatic Exhaustsmoke Circuit is shown below:
Reprinted Url Of This Article:
http://www.seekic.com/circuit_diagram/Control_Circuit/Automatic_Control/Ventilator_Automatic_Exhaustsmoke_Circuit.html
Print this Page | Comments | Reading(3)
Code: