About SeekIC | Services | Payment | Advertisements service | Contact Us | Links
© 2008-2012 SeekIC.com Corp.All Rights Reserved.
Published:2011/4/23 1:40:00 Author:Robert | Keyword: Ventilator, Automatic Gas Control | From:SeekIC


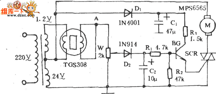
Ventilator Automatic Gas Control Circuit is shown below:
Reprinted Url Of This Article:
http://www.seekic.com/circuit_diagram/Control_Circuit/Automatic_Control/Ventilator_Automatic_Gas_Control_Circuit.html
Print this Page | Comments | Reading(3)
Response in 12 hours
© 2008-2012 SeekIC.com Corp.All Rights Reserved.
Code: