Published:2011/8/6 21:12:00 Author:Felicity | Keyword: Automatic Sprinkler Controller (the 1st) | From:SeekIC

Work of the circuit
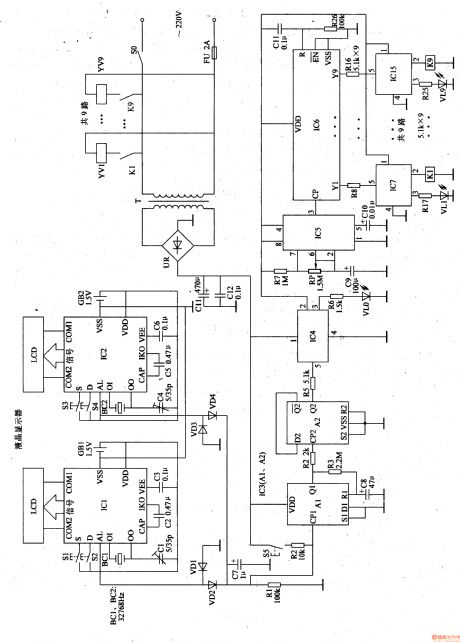
The circuit consists of clock timing controller, a single-shot, flip flop, electronic switch, self-excited multivibrator, counter, solenoid valve control circuit and power circuit. (It is showed in picture 4-80.)
Clock timing controller consists of digital electronic clock integrated circuit ICl, IC2, LCD liquid crystal displays, quartz crystal BCl, BC2, adjustable button Sl-S4, battery GBl, GB2 and capacitors Cl-C6.
Single-shot consists of dual D flip-flop within the D flip-flop integrated circuit IC3 Al and peripheral components.
Flip flop consists of D trigger A2 within IC3.
Electronic switch consists of High-power switch integrated circuit IC4.
Self-excited multivibrator consists of time-base integrated circuits IC5 and peripheral components.
Counter consists of counter / divider integrated circuit IC6 and peripheral components.
Solenoid valve control circuit consists of electronic switch integrated circuit IC7. ICI5, relay Kl-K9, LED VLl-VL9, solenoid valve YVl-YV9 and resistors R8-R25.
Power circuit consists of electronic switch integrated circuit IC7. ICI5, relay Kl-K9, LED VLl-VL9, solenoid valve YVl-YV9 and resistors R8-R25.
Reprinted Url Of This Article:
http://www.seekic.com/circuit_diagram/Control_Circuit/Automatic_Sprinkler_Controller_the_1st.html
Print this Page | Comments | Reading(3)
Code: