Published:2011/7/10 7:24:00 Author:Sue | Keyword: Automatic, Sprinkling Irrigation, Controller | From:SeekIC

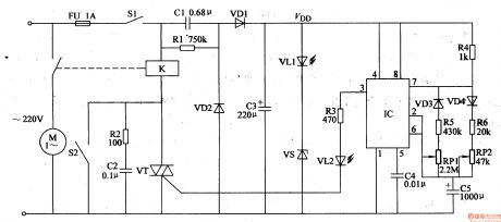
When the switch S1 is on, the 220v ac voltage will generate VDD(12.5-13V) voltage after it is reduced by C1, rectificated by VD1,VD2, filtrated by C3, stablized by VS. The voltage will provide IC with working voltage. After the power circuit begins to work, the LED VL1 is illuminated.
After the power circuit begins to work, besides providing IC with working voltage, VDD voltage also charge the capacitor C5 through resistor R4, diode VD4, resistor R6, potentiometer RP2, capacitor C5. At first IC's pin 6 has low level, IC's pin 3 outputs high level which will make VL2 illuminated and VT connected. The relay K is connected. The electric motor M begins to work and begin to spray.
Reprinted Url Of This Article:
http://www.seekic.com/circuit_diagram/Control_Circuit/Automatic_Sprinkling_Irrigation_Controller_4.html
Print this Page | Comments | Reading(3)
Code: