Published:2011/7/11 5:58:00 Author:Sue | Keyword: Automatic, Sprinkling Irrigation, Controller | From:SeekIC

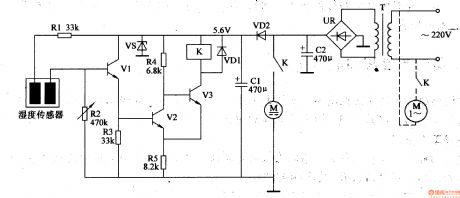
The 220v voltage will generate direct current 6v voltage on the filter capacitor C2 after it is reduced by T. One circuit of the voltage will provide the mini water pump's direct current electric motorwith working voltage(see the dotted line in the figure, the ac electric motor's large and medium water pumps use 220v ac voltage as working power); The other circuit will generate +5.6v voltage which will be provided to V1-V3 and the relay K after it is reduced by VD2, stablized by VS, filtrated by C1.
When the humidity sensor is sticked into the soil, it can detect the soil's humidity. When the soil humidity is high, the resistance value between the humidity sensor's two electrodes is small which will make V1,V2 connected. V3 is disconnected and the relay K is not connected. The water pump motor M doesn't work. When the soil humidity is becoming low, the resistance value between the humidity sensor's two electrode will become higher. When it reaches a certain value, V1 and V2 will be disconnected. V3 is connected and the relay K will be connected. Its normally open contact will be connected which will make the water pump motor M begins to work and the equipment of sprinkler irrigation will begin to work.
Reprinted Url Of This Article:
http://www.seekic.com/circuit_diagram/Control_Circuit/Automatic_Sprinkling_Irrigation_Controller_6.html
Print this Page | Comments | Reading(3)
Code: