Published:2011/7/11 6:31:00 Author:Sue | Keyword: Automatic, Sprinkling Irrigation, Controller | From:SeekIC

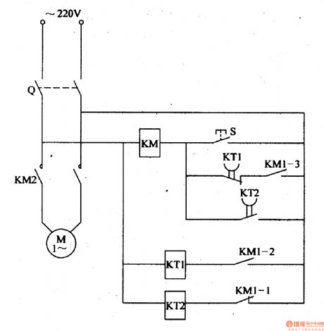
When the power switch Q is on, time relay K will form a circuit by ac contactor KM's normally closed contact KM1-1 and K begins to work. When it reaches Km's given delay time, KT2's time-delay closed normally closed contact will be connected which will make KM connected. KM's normally open main control contact KM2 and two groups of normally open assistant contact KM1-2,KM1-3 will be connected. The water pump electric motor M will begin to work and begin to sprinkle. At the same time, KM's normally closed contact KM1-1 is disconnected which will make Km disconnected. Its normally open contact is disconnected. But because KM's normally open contact KM1-3 has been connected, KM coil remains connected by KT1's time-delay disconnected normally closed contact and KM1-3. M will keep working.
Reprinted Url Of This Article:
http://www.seekic.com/circuit_diagram/Control_Circuit/Automatic_Sprinkling_Irrigation_Controller_8.html
Print this Page | Comments | Reading(3)
Code: