Published:2012/9/27 21:30:00 Author:muriel | Keyword: Automatic, parking light, switch | From:SeekIC




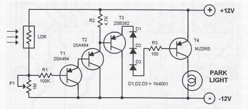
This automatic park light switch with LDR automatically turn ON the light when the surrounding light dims to a preset level. The first circuit diagram is an NPN design intended for negative grounded chassis. The second diagram is the PNP version intended for a positive grounded chasis.The dim level at which the circuit activates is set through the potentiometer P1.The printed circuit board layout can be used for both the negative and positive polarity chassis. Take note that the transistors and different for each chassis type. The connectors labeled in the parts placement diagram have the following connections:P = Power live of the carC = Car chassisB = Park light bulb
Automatic Park Light Switch Positive Ground
Automatic Park Light Switch Negative Ground
Parts Placement
Printed Circuit Board Layout
Reprinted Url Of This Article:
http://www.seekic.com/circuit_diagram/Control_Circuit/Automatic_parking_light_switch_circuit.html
Print this Page | Comments | Reading(3)
Code: