Published:2011/6/16 5:13:00 Author:Lucas | Keyword: Automatic , sprinkler controller | From:SeekIC

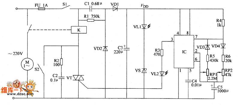
The automatic sprinkler controller circuit is composed of the power supply circuit and timing control circuit, and the circuit is shown as the Figure. Power supply circuit is composed of the fuse FU, power switch S1, step-down capacitor C1, resistor RI, rectifier diodes VD1, VD2, filter capacitor C3, power indicator LED VL1 and Zener vs. The timing control circuit is composed of the time-base integrated circuit IC, timing capacitor C5, Triac VT, relay K, manual / automatic switch S2 and the related external components. R1 ~ R6 select I/4W carbon film resistors or metal film resistors.
Reprinted Url Of This Article:
http://www.seekic.com/circuit_diagram/Control_Circuit/Automatic_sprinkler_controller_circuit_diagram_4.html
Print this Page | Comments | Reading(3)
Code: