Published:2011/6/30 5:36:00 Author:Sue | Keyword: Automobile, Steering, Flasher | From:SeekIC

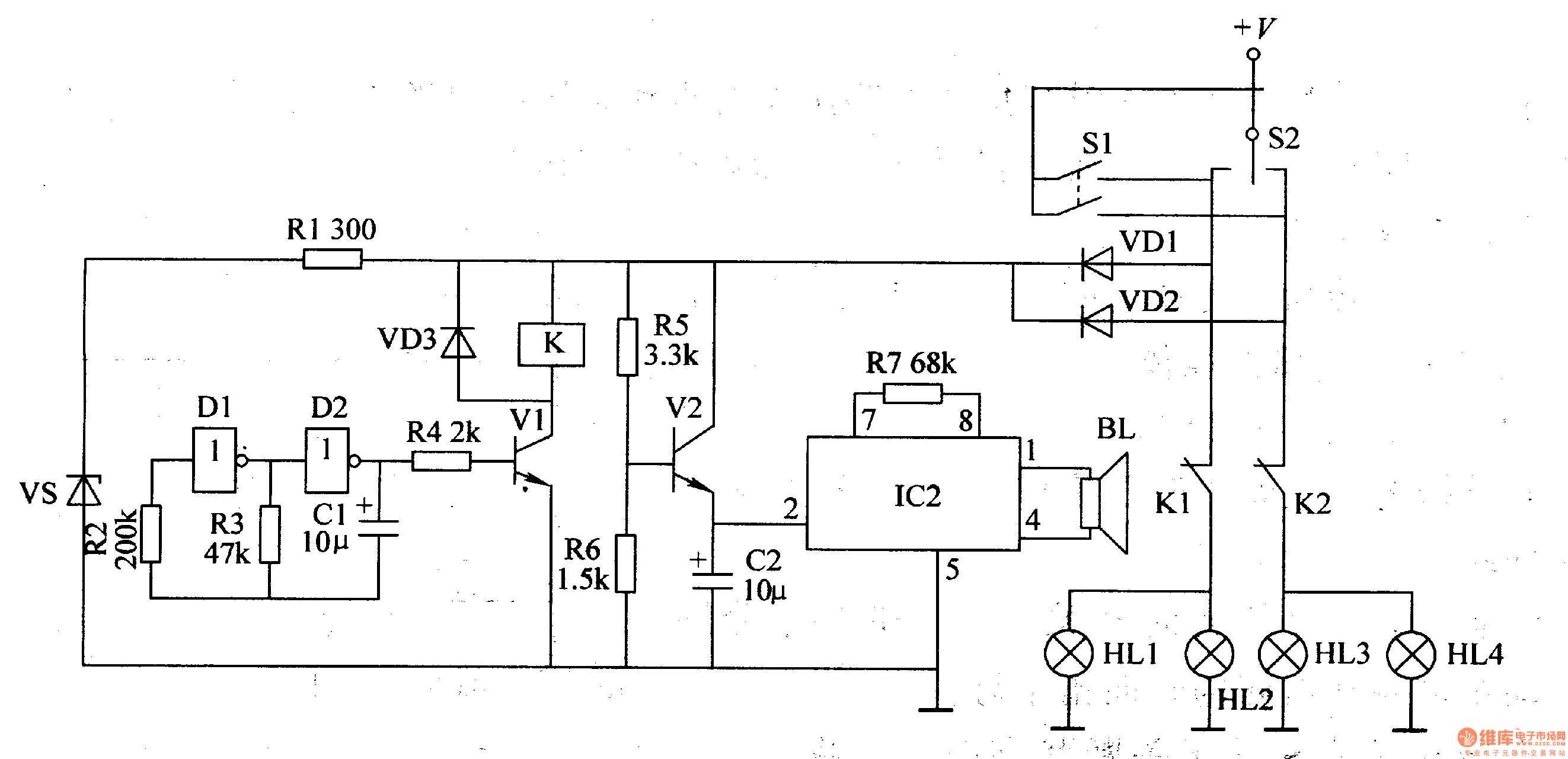
When S2 is connected, +V will provide the square wave oscillator with working power after limitation and stablization. When the oscillator begins to work, it will generate 1Hz square wave oscillate signals which will make V1 connected intermittently and the turn lamp will begin to twinkle. When the square wave signals are positive, V1 is connected and K is connected. HL1, HL2 or HL3, HL4 will be illuminated. When the square wave signals are negative, V1 is disconnected and K is released. The turn lamps will be off.
+V will provide IC2 with 3V working voltage after stablization. After IC2 is connected, music will be generated.
Reprinted Url Of This Article:
http://www.seekic.com/circuit_diagram/Control_Circuit/Automobile_Steering_Flasher_2.html
Print this Page | Comments | Reading(3)
Code: