Published:2011/6/30 5:42:00 Author:Sue | Keyword: Automobile, Steering, Flasher | From:SeekIC

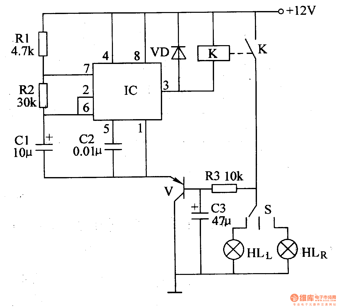
When S is disconnected, V is disconnected. IC's pin 1 and pin 3 will output high level while the oscillator doesn't work. When S is connected, V is connected. IC's pin 1 will output low level. The oscillator begins to work. IC's pin 3 will output oscillate signals which will make K connected and disconnected intermittently. HLL or HLR will be illuminated simultaneously. When S is put in the middle, V is disconnected. The oscillator will stop working. The turn lamps will be off.
Reprinted Url Of This Article:
http://www.seekic.com/circuit_diagram/Control_Circuit/Automobile_Steering_Flasher_3.html
Print this Page | Comments | Reading(3)
Code: