Published:2011/6/30 5:54:00 Author:Sue | Keyword: Automobile, Steering, Flasher | From:SeekIC

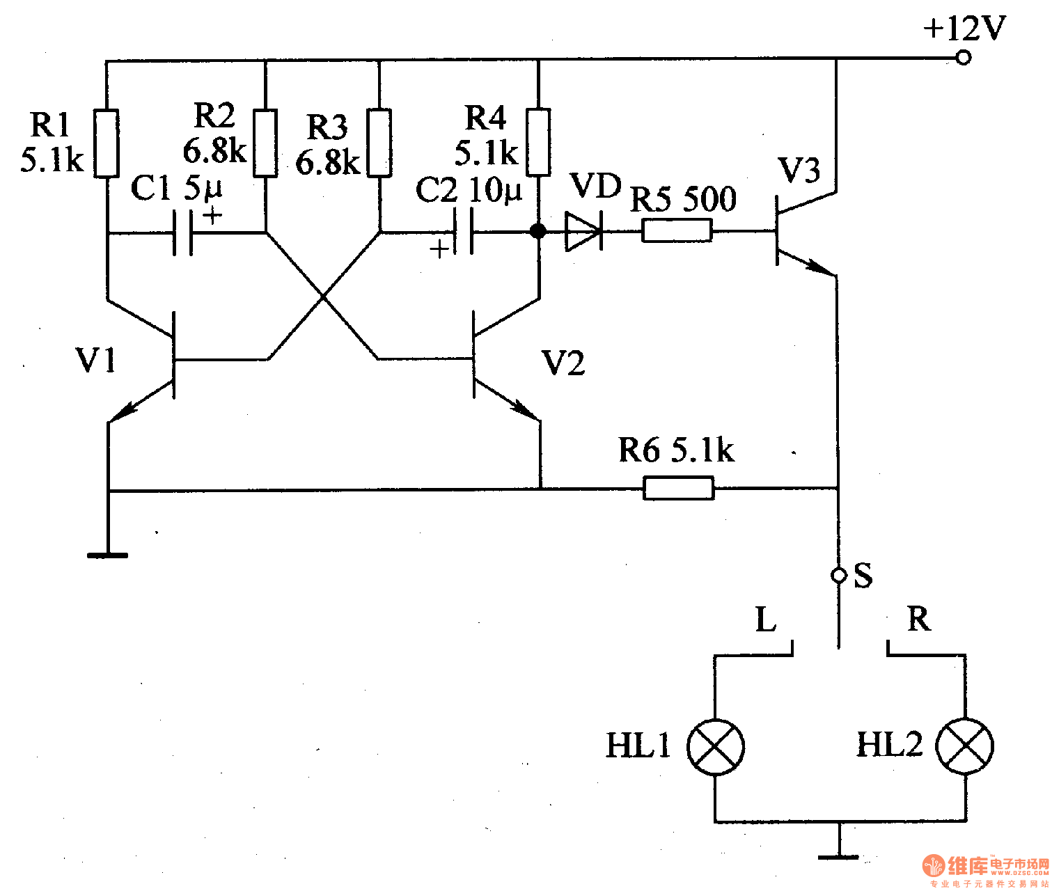
S is the turn lamp switch. HL1 is the left turn lamp switch. HL2 is the right turn lamp switch.
The astable multivibrator will generate low-frequency oscillate signals which will be put on V3. When S is put on L or R , V3 will be connected intermittently, which will make HL1 or HL2 illuminated with a twinkle frequency of70-75 times/min.
Reprinted Url Of This Article:
http://www.seekic.com/circuit_diagram/Control_Circuit/Automobile_Steering_Flasher_5.html
Print this Page | Comments | Reading(3)
Code: