Published:2009/6/18 3:58:00 Author:May | From:SeekIC

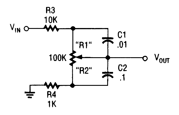
The frequency dependence of the capacitor's impedance permits this circuit to boost the bass frequencies.
Reprinted Url Of This Article:
http://www.seekic.com/circuit_diagram/Control_Circuit/BASS_TONE_CONTROL.html
Print this Page | Comments | Reading(3)
Code: