Published:2009/6/24 4:40:00 Author:Jessie | From:SeekIC

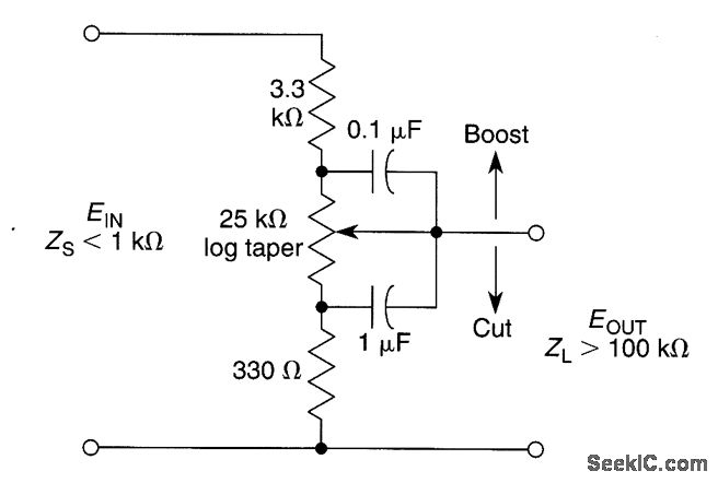
This tone control has an insertion loss of 20 dB at flat setting and is effective below 350 Hz. The control has little effect above this frequency.
Reprinted Url Of This Article:
http://www.seekic.com/circuit_diagram/Control_Circuit/BASS_TONE_CONTROL_CIRCUIT.html
Print this Page | Comments | Reading(3)
Code: