Published:2009/7/14 5:09:00 Author:May | From:SeekIC

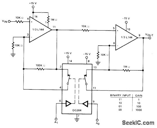
Gain of amplifier increases by decades from 1 to 1000 as binary input to A1 and A0 of DG304 low-power analog switch decreases from 1,1 to 0,0. Power dissipation of switch is less than 0.1 mW.- Analog Switches and Their Applications, Siliconix, Santa Clara, CA, 1976, p 7-86.
Reprinted Url Of This Article:
http://www.seekic.com/circuit_diagram/Control_Circuit/BINARY_CONTROL_OF_GAIN.html
Print this Page | Comments | Reading(3)
Code: