Published:2009/7/3 3:01:00 Author:May | From:SeekIC

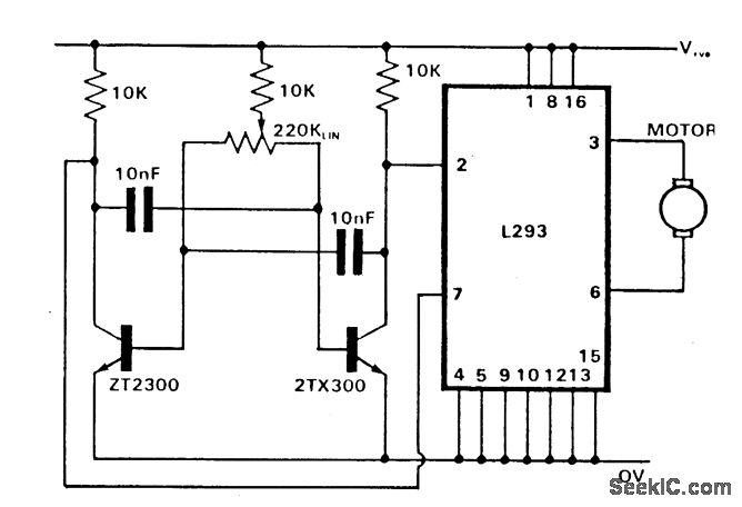
The control of both direction and of proportional motor speed is achieved by rotation of a single potentiometer. The motor driver is an SGS integrated circuit L293 which will drive up to 1 amp in either direction, depending on the logic state of input 1 and input 2 as per table.
I/P1 I/P2 FunctionHigh Low Motor turns one way Low High Motor reverses
By applying a variable M/S ratio flip-flop to these inputs, both speed and direction will be controlled. With RV1 in its center position the M/S will be 1:1 whereby the motor will remain stationary due to its inability to track at the flip-flop frequency. Movement of RV1 in either direction will gradually alter the M/S ratio and provide an average volt-age bias in one direction proportional to the M/S ratio.
Reprinted Url Of This Article:
http://www.seekic.com/circuit_diagram/Control_Circuit/BI_DIRECTIONAL_PROPORTIONAL_MOTOR_CONTROL.html
Print this Page | Comments | Reading(3)
Code: