Published:2012/10/25 2:26:00 Author:muriel | Keyword: Volume Control | From:SeekIC

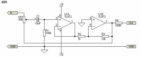
The input buffer enables the inverting stage (needed so the circuit can work) to have a very high input impedance. This would otherwise not be possible without the use of extremely high value resistors, which would increase the noise level considerably. The maximum gain as shown is 10 (20dB) and minimum gain is 0 (maximum attenuation). The input impedance is variable, and is dependent on the pot setting. At minimum gain, input impedance is the full 50k of the pot, falling to about 27k at 50% travel, and around 4k at maximum gain.
These impedance figures are very similar to the simple passive version (if a 100k pot is used), and again, a low impedance drive is required or the logarithmic law will not apply properly. The actual value for VR1 does not matter, and anything from 10k to 100k will work just as well, although it will influence the input impedance. The error at 50% of pot travel is less than 5% with values from 10k to 100k.
The additional benefit of improved tracking does not apply to the active version (at least not to the same extent), so use the best pot you can afford to ensure accurate channel balance.
Reprinted Url Of This Article:
http://www.seekic.com/circuit_diagram/Control_Circuit/Better_Volume_Control_Pt_2___Further_Ideas.html
Print this Page | Comments | Reading(3)
Code: