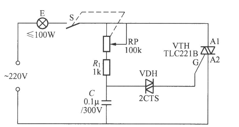
Published:2011/4/19 4:21:00 Author:Nicole | Keyword: Bidirectional SCR, dimming light, bidirectional trigger diode | From:SeekIC

Reprinted Url Of This Article:
http://www.seekic.com/circuit_diagram/Control_Circuit/Bidirectional_SCR_dimming_light_circuit_with_bidirectional_trigger_diode.html
Print this Page | Comments | Reading(3)
Code: