About SeekIC | Services | Payment | Advertisements service | Contact Us | Links
© 2008-2012 SeekIC.com Corp.All Rights Reserved.
Published:2009/7/17 2:45:00 Author:Jessie | From:SeekIC

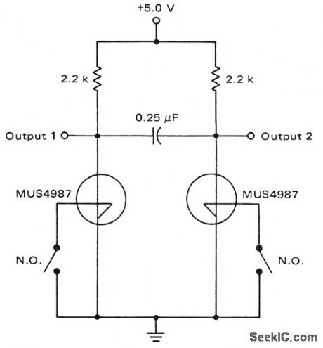
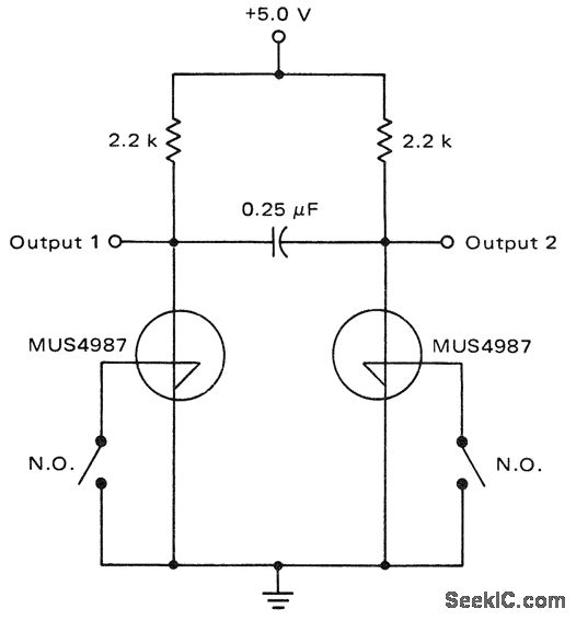
Bistable (memory) switch using two SUS devices. The mechanical switches can be replaced with other solid-state devices or negative-going pulses referenced to the supply line (courtesy Motorola Semiconductor Products Inc.).
Reprinted Url Of This Article:
http://www.seekic.com/circuit_diagram/Control_Circuit/Bistable_switch_using_two_SUS_devices.html
Print this Page | Comments | Reading(3)
Response in 12 hours
© 2008-2012 SeekIC.com Corp.All Rights Reserved.
Code: