Published:2011/6/27 3:34:00 Author:Sue | Keyword: Boiling Water, Alarm | From:SeekIC

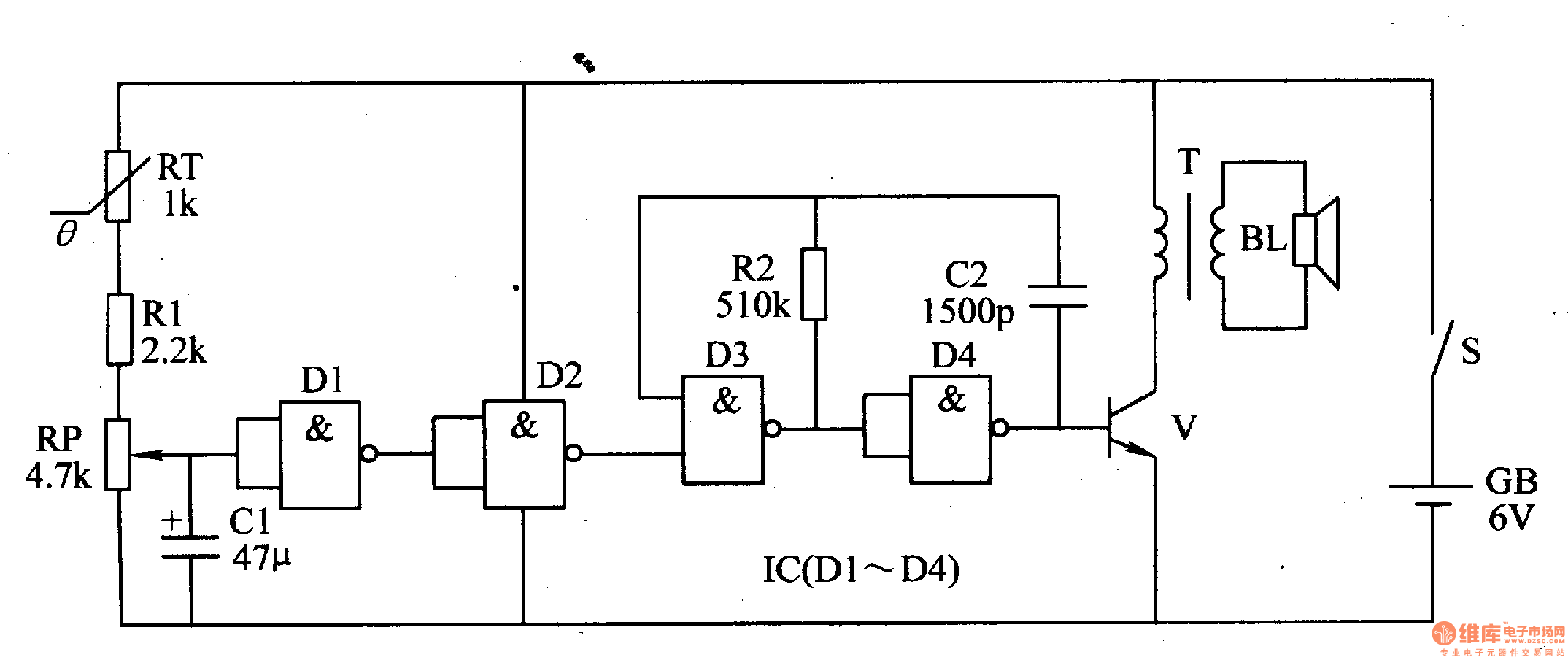
When S is on, attach RT to the kettle as a temperature sensor. When the temperature is low, RT has a high resistance value. D2 outputs low level and the oscillator and BL don't work.
As the temperature keeps going up, RT's resistance value is going down. When the water is boiled, D1 outputs low level. D2 outputs high level. The oscillator begins to work and the oscillate signal can promote BL to make an alarm sound after the signal is amplified by V.
Reprinted Url Of This Article:
http://www.seekic.com/circuit_diagram/Control_Circuit/Boiling_Water_Alarm_3.html
Print this Page | Comments | Reading(3)
Code: