Published:2011/4/10 21:18:00 Author:Jessie | Keyword: cruise control | From:SeekIC

Reprinted Url Of This Article:
http://www.seekic.com/circuit_diagram/Control_Circuit/Buick_cruise_control_circuit.html
Print this Page | Comments | Reading(3)
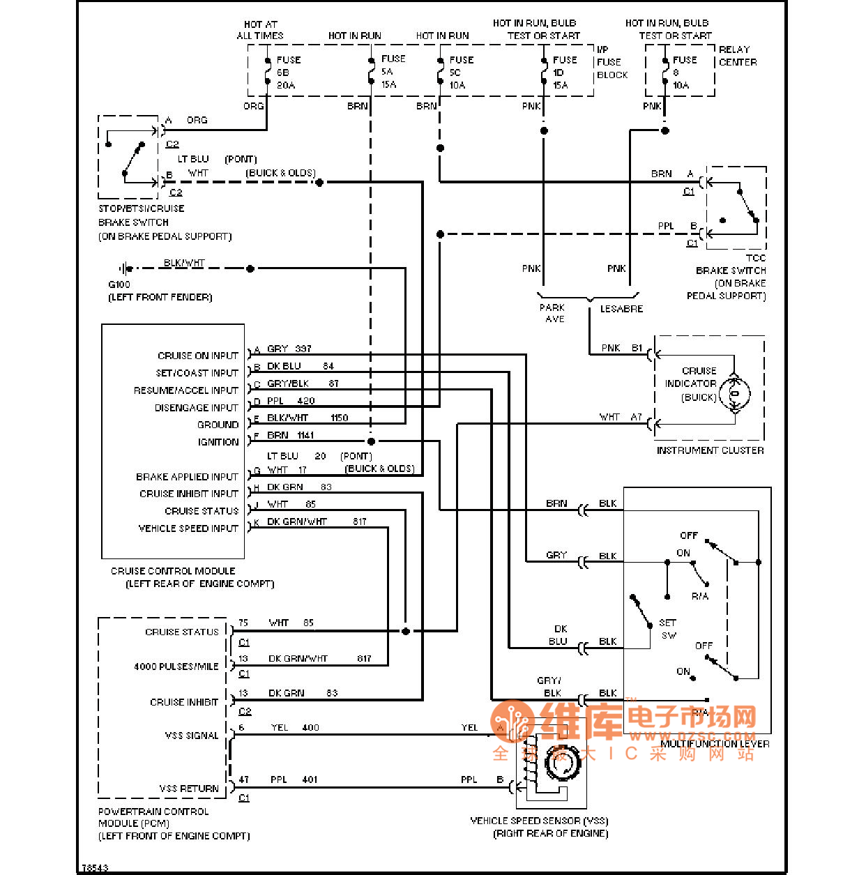
Code: