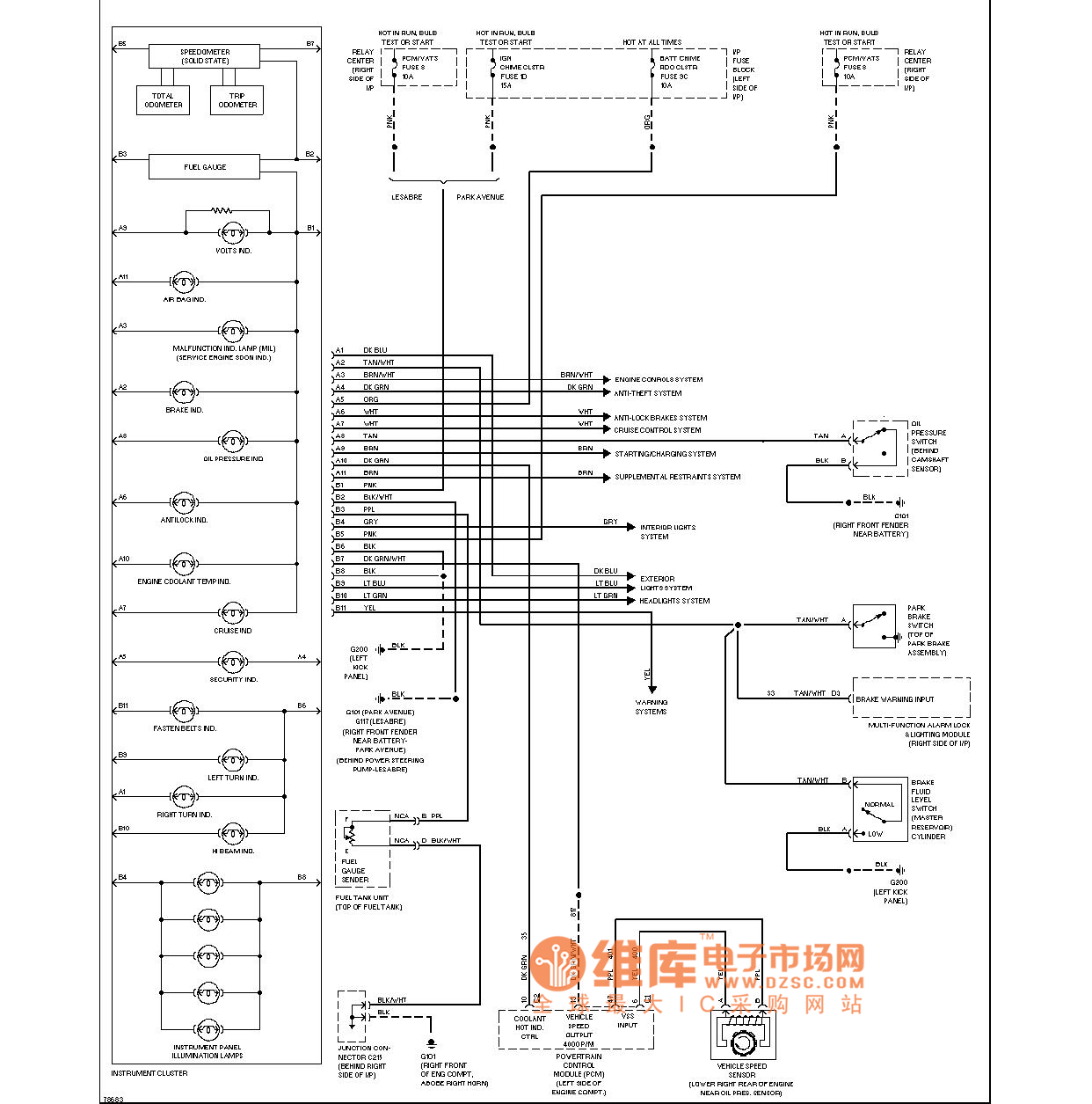
Published:2011/4/5 22:45:00 Author:Jessie | Keyword: dashboards | From:SeekIC

Reprinted Url Of This Article:
http://www.seekic.com/circuit_diagram/Control_Circuit/Buick_dashboards_circuit.html
Print this Page | Comments | Reading(3)
Code: