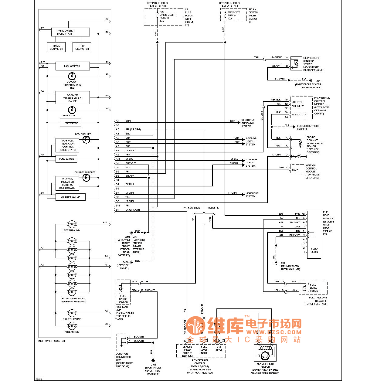
Published:2011/4/8 4:43:00 Author:Jessie | Keyword: dashboard | From:SeekIC

Reprinted Url Of This Article:
http://www.seekic.com/circuit_diagram/Control_Circuit/Buick_dashboards_circuit_instrument_ub3.html
Print this Page | Comments | Reading(3)
Code: