Published:2009/7/22 1:19:00 Author:Jessie | From:SeekIC

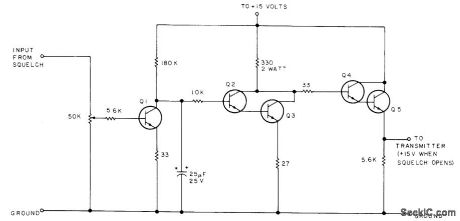
Turns on transmitter of 2-meter FM transceiver (used as repeater) when squelch of receiver is broken by signal. Transmitter remains on about 1s after received signal disappears; for longer delay, use larger electrolytic on collector of Q1. Q1-Q4 can be 2N3904, 2N3565, 2N2222, or other good NPN switching transistor. Q5 is 2N3054 or equivalent, capable of handling 25V at 1 A.-H Cone, The Minirepeater,73 Magazine, June 1975,p55-57,60-62,and 64-65.
Reprinted Url Of This Article:
http://www.seekic.com/circuit_diagram/Control_Circuit/CARRIER_OPERATED_SWITCH.html
Print this Page | Comments | Reading(3)
Code: