Published:2009/7/16 2:48:00 Author:Jessie | From:SeekIC

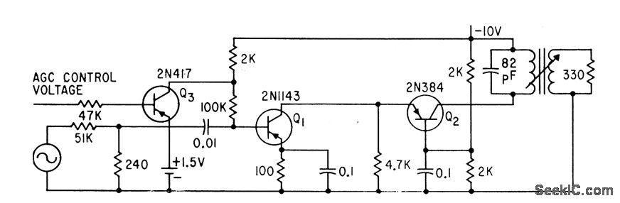
Q3 is gain control element for cascade combination Q1-Q2 in 10-Mc i-f amplifier.-J. F. Perkins, Transistor Cascade Circuit Improves Automatic Gain Control in Amplifiers, Electronics, 34:22, p 49-51.
Reprinted Url Of This Article:
http://www.seekic.com/circuit_diagram/Control_Circuit/CASCADE_I_F_WITH_AGC.html
Print this Page | Comments | Reading(3)
Code: