Published:2011/7/20 21:07:00 Author:TaoXi | Keyword: alarm device, single chip, gas detection, alarm circuit | From:SeekIC



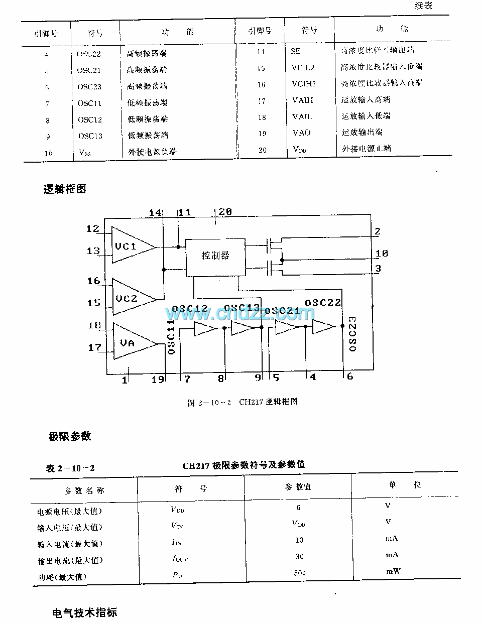
The CH217 is designed as the single chip gas detection alarm circuit that can be used in the alarm device. The internal circuit is composed of the small signal amplifier (VA),two signal comparators (VC1 and VC2), two groups of oscillator, logic code controller and the driver.
Features
The CMOS technology.Low voltage, small power consumption, large input impedance.It uses the new low-voltage CMOS linear circuit design technology, the linear circuit and logic circuit will be combined into the complete function system.The IC can operate in single power 3V condition.The integrated circuit has two internal alarm channels.20-pin dual-row DIP plastic package.
Reprinted Url Of This Article:
http://www.seekic.com/circuit_diagram/Control_Circuit/CH217_alarm_device_single_chip_gas_detection_alarm_circuit.html
Print this Page | Comments | Reading(3)
Code: