Published:2009/7/7 3:48:00 Author:May | From:SeekIC

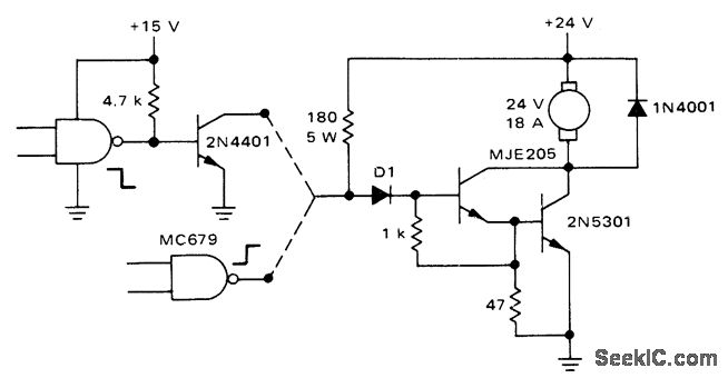
Circuit uses MJE205 5-A transistor in Darlington con-figuration driving 2N5301 30-A transistor for passing 18 A to DC motor under logic control.CMOS gate connections are shown for energizing motor when logic is low and when logic is high.-A. Pshaenich, Interface Techniques Between Industrial Logic and Power Devices, Motorola, Phoenix, AZ, 1975, AN-712A, p 19.
Reprinted Url Of This Article:
http://www.seekic.com/circuit_diagram/Control_Circuit/CLAMPED_DARLINGTON_CONTROL.html
Print this Page | Comments | Reading(3)
Code: