About SeekIC | Services | Payment | Advertisements service | Contact Us | Links
© 2008-2012 SeekIC.com Corp.All Rights Reserved.
Published:2011/6/1 19:50:00 Author:Lucas | Keyword: CMOS , control signal | From:SeekIC

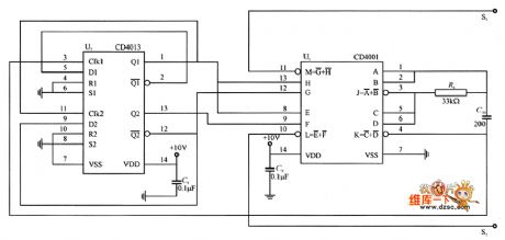
CMOS control circuit is a pulse-width modulation (PWM) circuit, PWM waveform is mainly composed of the CD4001 NOR gate circuit and CD4013 D flip-flop, and the circuit is shown as the chart.
Reprinted Url Of This Article:
http://www.seekic.com/circuit_diagram/Control_Circuit/CMOS_control_signal_circuit_diagram.html
Print this Page | Comments | Reading(3)
Response in 12 hours
© 2008-2012 SeekIC.com Corp.All Rights Reserved.
Code: