Published:2009/7/15 3:20:00 Author:Jessie | From:SeekIC

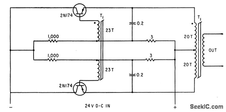
Capacitors acting with 3-ohm resistors in collector circuits provide energy storage to increase switching speed.-A. G. Lloyd, Speed-Up Circuits Improve Switching of Transistor Inverters, Electronics, 34:45, p 92-94.
Reprinted Url Of This Article:
http://www.seekic.com/circuit_diagram/Control_Circuit/COLLECTOR_CAPACITORS_SPEED_SWITCHING_.html
Print this Page | Comments | Reading(3)
Code: