Published:2009/6/24 4:41:00 Author:Jessie | From:SeekIC

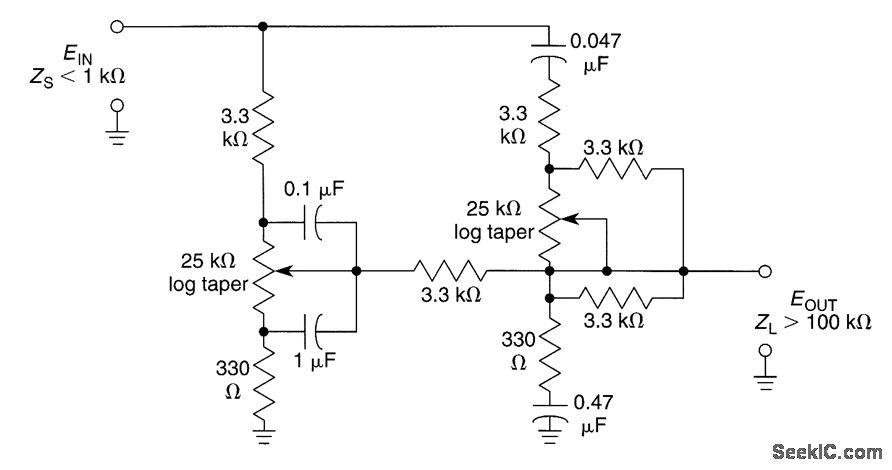
This positive tone control system uses two pots to control bass and treble.
Reprinted Url Of This Article:
http://www.seekic.com/circuit_diagram/Control_Circuit/COMBINED_BASS_AND_TREBLE_CONTROL.html
Print this Page | Comments | Reading(3)
Code: