Published:2009/7/21 21:33:00 Author:Jessie | From:SeekIC

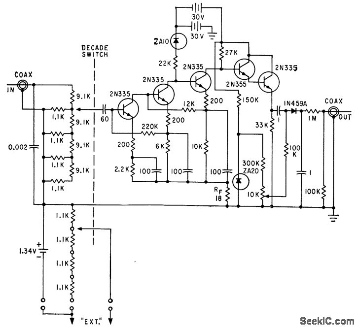
Decade amplifer of conventional phototransistor pyrometer control was modifed by removing output transformer and load inductor, lo give additional feed-back at low frequencies. Bootstrap emitter. follower stage was added as output buffer to improve circuit stability. Used for measuring high rocket surface temperatures.-S. A. Edler, Designing Phototransistor Pyrometers With and Without Feedback, Electronics, 34:49, p 56-60.
Reprinted Url Of This Article:
http://www.seekic.com/circuit_diagram/Control_Circuit/CONTROL_CIRCUIT_FOR_PHOTOFEEDBACK_PYROMETER.html
Print this Page | Comments | Reading(3)
Code: