Published:2009/7/13 4:13:00 Author:May | From:SeekIC

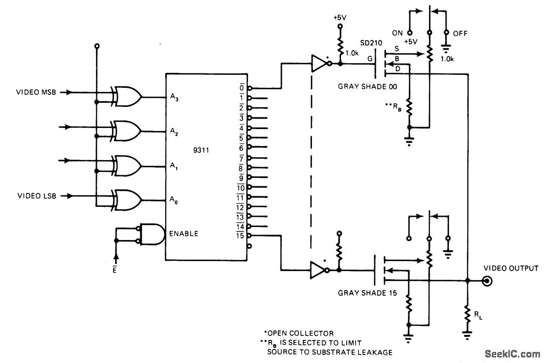
Circuit provides digital selection of up to 16 shades of gray for image on screen of cathode-ray tube, as required for different imaging requirements or different photographic films. DMOS FETs provide fast switching times so data rate is limited only by TTL drive circuits. Four bits of digital data stored in 9311 memory are used for selecting desired scale. Output of circuit is used to control beam intensity. Circuit also permits complete video inversion for negative.-K. R. Peterman, Fast CRT Intensity Selector Adjusts the Gray Scale, EDN Magazine, March 20, 1976, p 98 and 100.
Reprinted Url Of This Article:
http://www.seekic.com/circuit_diagram/Control_Circuit/CRT_GRAY_SCALE_CONTROL.html
Print this Page | Comments | Reading(3)
Code: