Published:2009/7/15 4:07:00 Author:Jessie | From:SeekIC

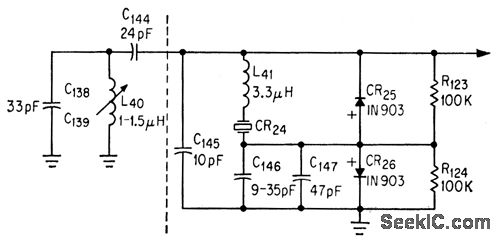
Gives narrow bandwidth at 23-Mc crystal frequency, for controlling drift of voltage controlled controlled oscillator.-F. L. Carroll, How to Achieve Stability in Space Telemetry, Electronics, 37:4, p 32-35.
Reprinted Url Of This Article:
http://www.seekic.com/circuit_diagram/Control_Circuit/CRYSTAL_DISCRIMINATOR_IN_AFC_LOOP.html
Print this Page | Comments | Reading(3)
Code: