Published:2009/7/8 1:47:00 Author:May | From:SeekIC

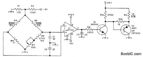
Unbalance voltage produced in thermistor bridge when temperature drops below set point is sensed by differential opamp that feeds buffer Q1 and power amplifier Q2, Power dissipated in Q2 and its load R11 heats oven. Thermistor R4 has nominal resistance of 3600 ohms at 50℃ (GE 1D53 or National Lead 1D053). Voltage divider R1-R2 reduces U1 input to safe Ievel and makes thermistor operate at low current, minimizing self-heating effects. All arms of thermistor bridge except R7 (vemier temperature ad justment) are in oven.-R. Silberstein, An Experimental Frequency Standard Using ICs, QST, Sept. 1974, p 14-21 and 167.
Reprinted Url Of This Article:
http://www.seekic.com/circuit_diagram/Control_Circuit/CRYSTAL_OVEN_CONTROL.html
Print this Page | Comments | Reading(3)
Code: