Published:2009/7/5 21:49:00 Author:May | From:SeekIC

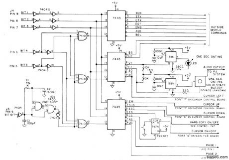
Full software cursor control permits writing anywhere on screen without restrictive top-to-bottom/left-to-right format. System uses 18 of possible 32 ASCII control codes in TV IIsystem having 8K BASIC.Three 7445 BCD-to-decimal decoders operate in 3-line-to-S-line mode wherein pin 12 becomes chip enable. When pin 12 goes low, one of the eight outputs will go low.-R,wright.Utilize ASCII Control Codes!,Kilobaud,Oct.1977,p80-83
Reprinted Url Of This Article:
http://www.seekic.com/circuit_diagram/Control_Circuit/CURSOR_CONTROL.html
Print this Page | Comments | Reading(3)
Code: