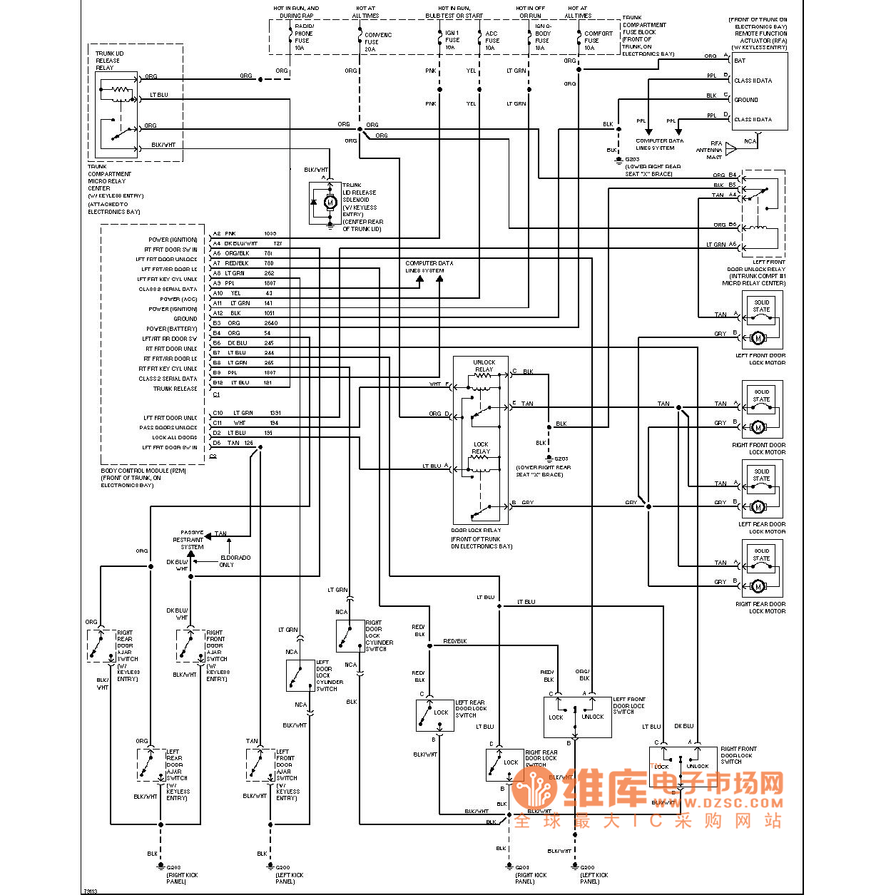
Published:2011/4/13 3:29:00 Author:Jessie | Keyword: electric door lock | From:SeekIC

Reprinted Url Of This Article:
http://www.seekic.com/circuit_diagram/Control_Circuit/Cadillac_electric_door_lock_circuit.html
Print this Page | Comments | Reading(3)
Code: