Published:2012/11/29 0:36:00 Author:muriel | Keyword: Camera Switcher | From:SeekIC

Reprinted Url Of This Article:
http://www.seekic.com/circuit_diagram/Control_Circuit/Camera_Switcher.html
Print this Page | Comments | Reading(3)
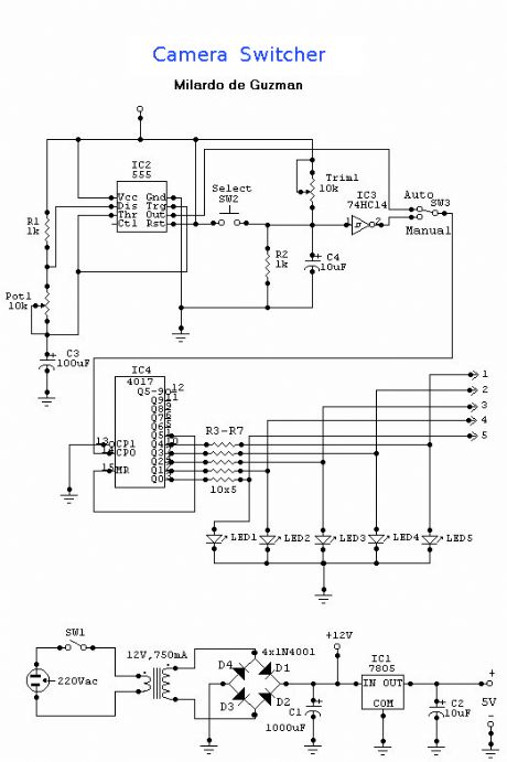
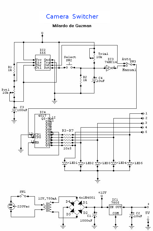
Code: